
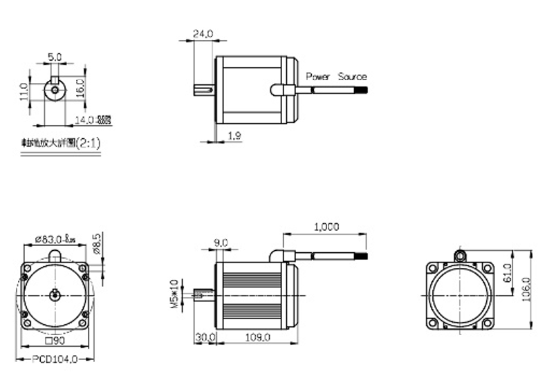
BLDC90C400W048V
-
體積小
-
重量輕
-
高功率
-
高扭力
-
高效率
-
低噪音
-
低電磁干擾
-
免碳刷保養
-
超低頓轉扭矩
-
創新的馬達設計,最佳的表現就是在重負載操作期間亦能夠節省能源,在低速度行駛中,仍然具備有高的轉矩輸出。高效率範圍比傳統馬達優越很多。
1.高效率:無刷馬達以永久磁鐵作為轉子,
2.體積小、節省安裝空間:以強力永久磁鐵作為轉子,效率高,體積小
3.低噪音、雜訊少:電氣雜訊干擾少,火花相對少,可靠度高,耐顛簸震動,噪音低
4.寬範圍的速度調整:標準機種即可從100RPM~3000RPM任意調速,適合各種應用產品。
5.使用高磁能積釹鐵錋稀釷磁鐵(NdFeB),具備體機小,高功率及高扭力高特性


|
特性規格(Performace Spec.) |
|
|
額定電壓(Rated Voltage) |
48W |
|
最大轉速(Max Speed) |
3500RPM |
|
失速電流(Stall Current) |
16.67A |
|
轉向(Direction of Rotation) |
C.W |
|
額定功率(Rated Power) |
400W |
|
額定轉矩(Rated Torque) |
1.273Nm |
|
額定電流(Rated Current) |
8.33A |
|
額定轉速(Rated Speed) |
3000RPM |
|
線間電阻(L-L Resistance) |
|
|
耐壓測試(Hi-Pot) |
600VAC/1mA/1sec |
|
絕緣測試(Insulation Test) |
500VDC/50MΩmin |
| 線性定義 | |||
| PIN | 名稱 | 線色 | 線規 |
| 1 | U | 紫 | 18AWG |
| 2 |
V |
灰 | 18AWG |
| 3 |
W |
藍 | 18AWG |
| 4 | REF+ | 紅 | 25AWG |
| 5 | HU | 橘 | 25AWG |
| 6 | HV | 棕 | 25AWG |
| 7 | HW | 黃 | 25AWG |
| 8 | REF- | 綠 | 25AWG |




